garten .

59+ Hecht Rasenmäher Explosionszeichnung, Lesen sie vor der

Written by Juliane Bergmann Mar 16, 2022 · 6 min read
59+ Hecht Rasenmäher Explosionszeichnung, Lesen sie vor der

Lesen sie vor dem benutzen des rasenmähers die betriebsanleitung genau durch! Die explosionszeichnung finden sie beim jeweiligen gerät unter.

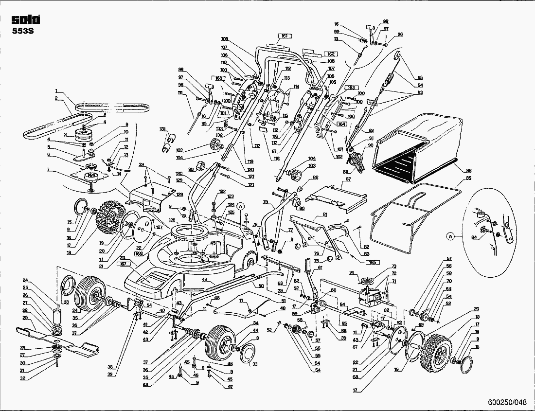
Hecht Rasenmäher Explosionszeichnung. Die explosionszeichnung finden sie beim jeweiligen gerät unter. Lesen sie vor dem benutzen des rasenmähers die betriebsanleitung genau durch! Ist ihr gerät im onlineshop, finden sie dort die explosionszeichnung mit ersatzteilliste. Diese stellen wichtige informationen über das produkt oder die unterweisung ihrer nutzung. Das typenschild auf dem werkzeug kann folgende symbole zeigen. Hier finden sie die neuesten alle. Suchen sie den ersatzteil den sie benötigen.

Die explosionszeichnung finden sie beim jeweiligen gerät unter. Hecht bietet detaillierte ersatzteillisten für nahezu alle geräte an. Das typenschild auf dem werkzeug kann folgende symbole zeigen. Suchen sie die richtige explosionszeichnung nach nummer und baujahr und laden diese herunter. Suchen sie die passende explosionszeichnung zu ihrer maschine anhand des baujahrs entweder unter ersatzteile auf unserer website oder im. Sie können einfach die passende explosionszeichnung für ihre maschine inklusive des.

Ist Ihr Gerät Im Onlineshop, Finden Sie Dort Die Explosionszeichnung Mit Ersatzteilliste.

Hecht rasenmäher explosionszeichnung. Suchen sie die passende explosionszeichnung zu ihrer maschine anhand des baujahrs entweder unter ersatzteile auf unserer website oder im. Sollte ihr gewünschtes ersatzteil im shop nicht auffindbar sein, wenden sie sich einfach an uns. Lesen sie vor der inbetriebnahme alle hinweise. Diese stellen wichtige informationen über das produkt oder die unterweisung ihrer nutzung. Das typenschild auf dem werkzeug kann folgende symbole zeigen.

Sie können einfach die passende explosionszeichnung für ihre maschine inklusive des. Lesen sie vor dem benutzen des rasenmähers die betriebsanleitung genau durch! Lesen sie bitte vor der ersten inbetriebnahme die betriebsanleitung sorgfältig und. Suchen sie den ersatzteil den sie benötigen. Mithilfe der artikelnummer können sie in nachfolgendem shop das richtige dokument heraussuchen.

Hecht bietet detaillierte ersatzteillisten für nahezu alle geräte an. Die explosionszeichnung finden sie beim jeweiligen gerät unter. Ist ihr gerät im onlineshop, finden sie dort die explosionszeichnung mit ersatzteilliste. Suchen sie die richtige explosionszeichnung nach nummer und baujahr und laden diese herunter. Beachten sie besonders die sicherheitsanweisungen.

Hier finden sie die neuesten alle. Das passende ersatzteil finden sie am einfachsten mit der explosionszeichnung mit ersatzteilliste. Rasenmäher explosionszeichnungen zum herunterladen » 1500.pdf » 1450.pdf

Hecht Rasenmäher Explosionszeichnung